Описание
Cтандартная инсталляция для подвесного унитаза Geberit Duofix Omega 12 111.060.00.1 со смывным бачком.
Монтаж:
Встраиваемая перед стеной.
Самонесущая конструкция.
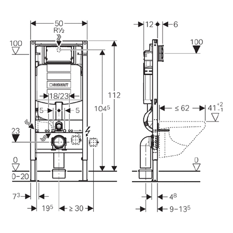
Ширина: 50 см.
Высота: 112 см.
Монтажная длина: 12 см.
Бесступенчатая регулировка высоты ножек: 0-20 см.
Самостопорящиеся опоры.
Опорная площадка поворотная.
Шумопоглощающее, регулируемое крепление для фанового отвода.
Расстояние между болтами для монтажа унитаза: 18 или 23 см.
Подключение воды: 1/2 дюйма по центру сзади/сверху.
Функциональность:
Бачокскрытогомонтажа сфронтальным механическим управлением.
Режим смыва: двойной или одинарный.
Режим старт/стоп: возможность прерывания смыва в любой момент.
Заводская установка объема смыва: 6 и 3 л.
Диапазон настройки большого объема: 4,5/6/7,5 л.
Диапазон настройки малого объема: 3-4 л.
Объем в режиме старт/стоп: 4,5/6/7,5 л.
В комплекте поставки:
Монтажная рама.
Смывной бачок.
Две резь



























Отзывы к товару
Очистить фильтрыОтзывов пока нет.