Описание
Подвесной унитаз Grohe Solido Perfect 39192000 в комплекте с крышкой-сиденьем Soft Close, с инсталляцией и кнопкой двойного смыва Skate Air цвета глянцевый хром. Одобрено в СE.
Конструкция:
Унитаз с крышкой-сиденьем:
Универсальные минималистичные формы.
Материал: сантехническая керамика.
Крышка-сиденье Soft Close из дюропласта.
Система плавного опускания крышки: амортизированное закрытие.
Пневматическая клавиша смыва:
Режимы смыва: двойной или старт/стоп (прерывание).
Цвет: глянцевый хром. Материал: ABS пластик.
Установка: фронтальная.
Монтажная рама со смывным бачком:
Для установки перед капитальной стенной или перегородкой.
Для одиночного или рядного монтажа.
Самонесущая рама из стали с порошковым напылением.
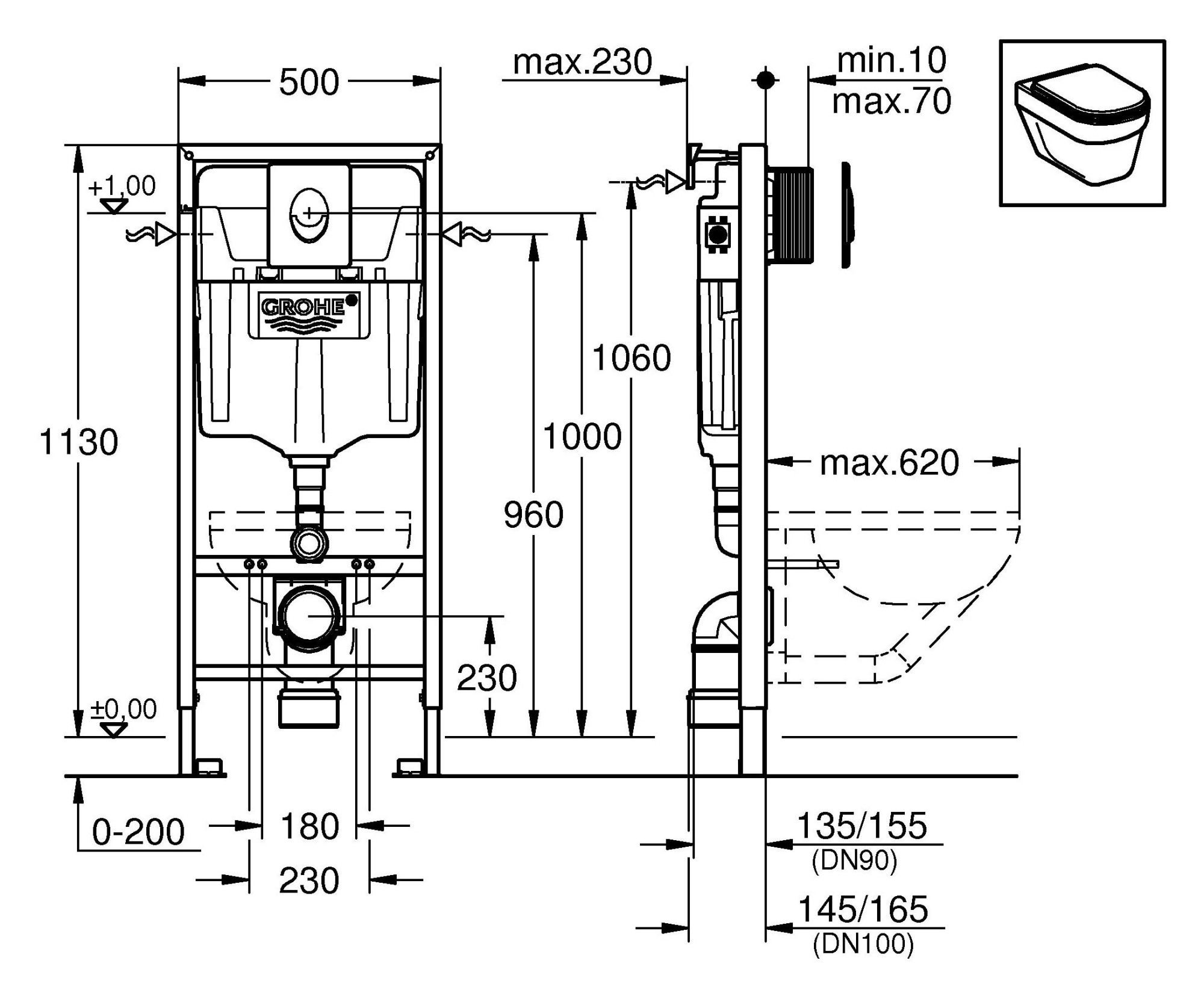
Монтажная высота: 113 см.
Подключение воды: слева, справа и сзади. Арматурная группа I.
Бачок: изоляция от конденсационной влаги, GD 2,6-9 л.
Заводская настройка объемов смыва: 6 и 3 л.
В комплекте поставки:
чаша унитаза с крышкой-сиденьем Soft Close;
монтажная рама со смывны




























Отзывы к товару
Очистить фильтрыОтзывов пока нет.