Описание
Система контроля протечки воды Neptun предназначена для своевременного обнаружения и локализации протечек воды в системах водоснабжения и отопления. Система заблокирует подачу воды до устранения причин протечки и проинформирует о возникшей аварии звуковым и световым сигналами.
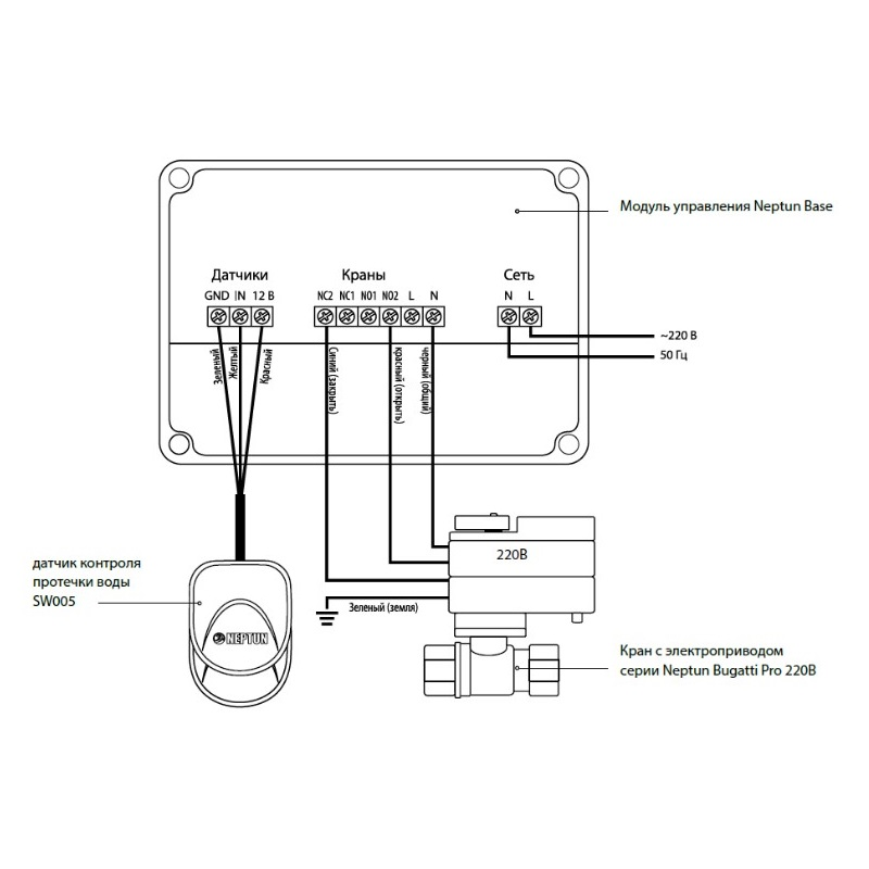
При попадании воды на любой из датчиков, подключенных к модулю управления, управляющее напряжение подается на краны шаровые с электроприводом, подключенные к этому же модулю, которые заблокируют подачу воды. Контроль протечки воды осуществляется автоматически и не
требует участия пользователя.
Выполняемые функции:
• Контроль протечки воды.
• Автоматическая блокировка водоснабжения при срабатывании любого датчика.
• Звуковая и световая сигнализация аварийного состояния.
• Запоминание состояния аварии до устранения ее последствий.
В состав системы Neptun входят:
• модуль управления;
• кран шаровой с электроприводом;
• датчики контроля протечки воды.



















