Описание
Комплект подвесного унитаза с инсталляцией Grohe Solido Compact 39586000 с сиденьем Soft Close, клавишей смыва и шумоизоляцией.
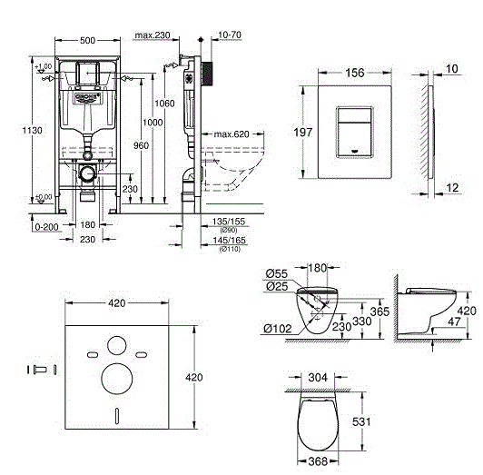
Подвесной унитаз Grohe Bau Ceramic 39427000 в комплекте с сиденьем Soft Close. Лаконичный и универсальный дизайн изделия дополнит большинство интерьеров ванных комнат различной стилистической направленности.
Изготовлен из сантехнического фарфора – гладкого и прочного материала, отличающегося низкопористой поверхностью. Материал не впитывает загрязнения и неприятные запахи, не изменяет свой цвет на протяжении всего срока службы.
Безободковая конструкция: отсутствие труднодоступных мест делает уход за унитазом максимально простым.
Вертикальный (глубокий) смыв: вода омывает всю внутреннюю поверхность чаши.
Скрытый крепеж для большей эстетичности.
Габариты (ДШВ): 53,1×68,8×42 см.
Подвесной монтаж.
Горизонтальный выпуск.
Крышка-сиденье:
Оснащена механизмом плавного закрывания Soft Close.
Петли с функцией быстрого снятия: быстроразъемное






















Отзывы к товару
Очистить фильтрыОтзывов пока нет.