Описание
АНАЛОГ DAB (JET, JETINOX), WILO (JET)
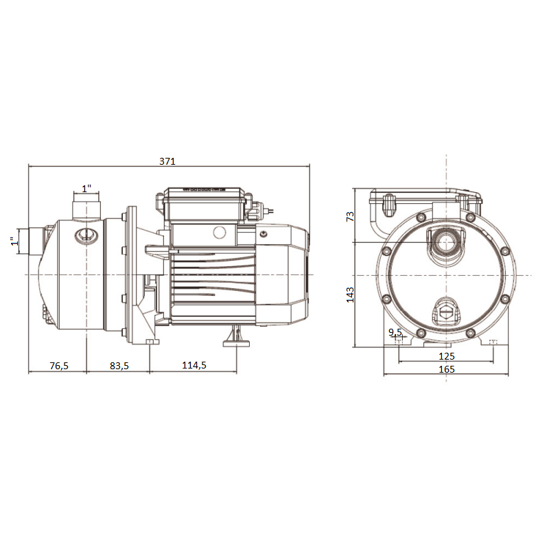
Автоматические насосные станции предназначены для перекачивания чистой воды и применяются для повышения давления, в оросительных системах, подъема воды из колодцев, прочих источников с глубиной залегания воды до 9 метров. Преимущества и особенности:
– корпус и крышка насоса из прессованной нержавеющей стали 304;
– гидравлически оптимизированная конструкция, превосходная производительность;
– сопло, направляющая лопатка и рабочее колесо выполнены из инженерного пластика PRO;
– бачок 24 л;
– в комплект входит кабель с вилкой 1,3 м.Пределы применения:
– высота всасывания до 9 м;
– температура перекачиваемой жидкости до +40°C;
– температура окружающей среды до +40°C;
– максимальное рабочее давление 6 бар;
– колебания напряжения не должны превышать 10% от номинального значения;
– pH: от 6,5 до 8,5.
Установка насосная повышения давления SHIMGE JET-G2 1100 +24L (1х220В; 1,10кВт) (арт. 10150100278) — это энергоэффективный насос повышения давления нового поколения. С









































