Описание
АНАЛОГ DAB (NKV), GRUNDFOS (CR), WILO (MVI)
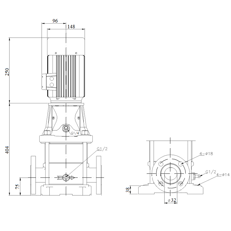
Продукция серии AL/ALT – это высокоэффективный вертикальный многоступенчатый центробежный насос нового поколения, разработанный с учетом европейских стандартов.
– Благодаря использованию совершенно нового промышленного дизайна, индекс энергоэффективности MEI достигает 0,7 и выше.
– Продукт использует хорошую гидравлическую модель и передовой производственный процесс.
– Проточные проходные компоненты корпуса насоса формируются путем штамповки и сварки высококачественной нержавеющей стали 304.
Продукт может перекачивать различные среды – от водопроводной воды до промышленных жидкостей. Компактная структура, низкий уровень шума, небольшой объем и энергосбережение.Области применения:
– Напорное водоснабжение: подача воды для фильтрации на водопроводных станциях, повышение давления в магистральных трубопроводных сетях, водоснабжение высотных зданий и противопожарное водоснабжение.
– Система очистки воды: система ультрафильтрации, система обратного осмоса, система























