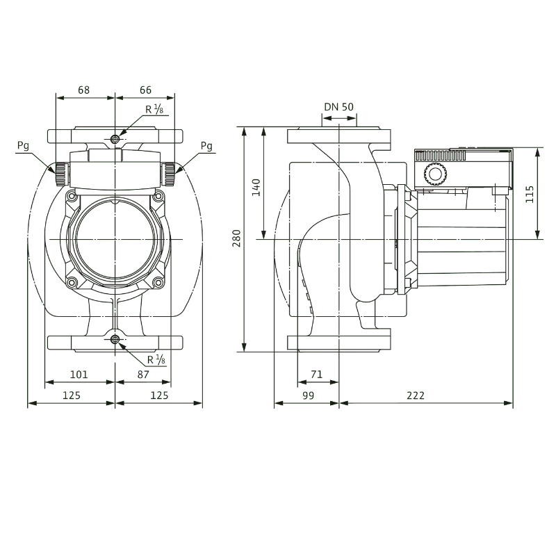
Описание
Возможно применение для любых систем отопления, систем кондиционирования, закрытых контуров охлаждения и промышленных циркуляционных систем. Циркуляционный насос с мокрым ротором, с резьбовым или фланцевым соединением, возможен выбор ступеней частоты вращения для регулировки мощности.
ОСНАЩЕНИЕ И ФУНКЦИИ:
– ручная регулировка мощности с 3 ступенями частоты вращения;
– корпус насоса с катафорезным покрытием для оптимальной защиты от коррозии;
– комбинированный фланец PN 6/PN 10;
– теплоизоляционные кожухи.




















