Описание
АНАЛОГ DAB (BPH), GRUNDFOS (UPS), WILO (Top-s, Star-RS)
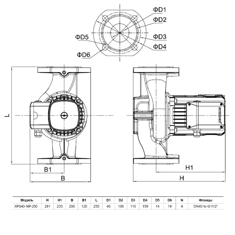
Базовый тип циркуляционных насосов XPS-F предназначенный для циркуляции в системах отопления, кондиционирования и горячего водоснабжения.Технические характеристики:
Защита: IP44
Нагревостойкость: класс изоляции F
Температура перекачиваемой среды: +2°C…+110°C
Температура окружающей среды 0…+40°C
Максимальное давление в системе: 10 бар
Смазка подшипников, защита мотора от перегрева осуществляется рабочей жидкостью. Корпус насоса произведен из чугуна, защищен от коррозии лакокрасочным покрытием, патрубки имеют идентичные диаметры и расположены в противоположных направлениях. Подшипники насосов керамические, образующие минимум шумов и повышающие долговечность оборудования. Насос с ротором, изолированным от статора, и электродвигателем образует единый узел без уплотнений вала. Обмотки электродвигателя из меди устойчивы к току блокировки, поэтому он не нуждается в дополнительной защите. Способ установки: вал мотора должен быть установлен только горизонт



























