Описание
Душевая система Jacob Delafon Aleo E26809-CP.
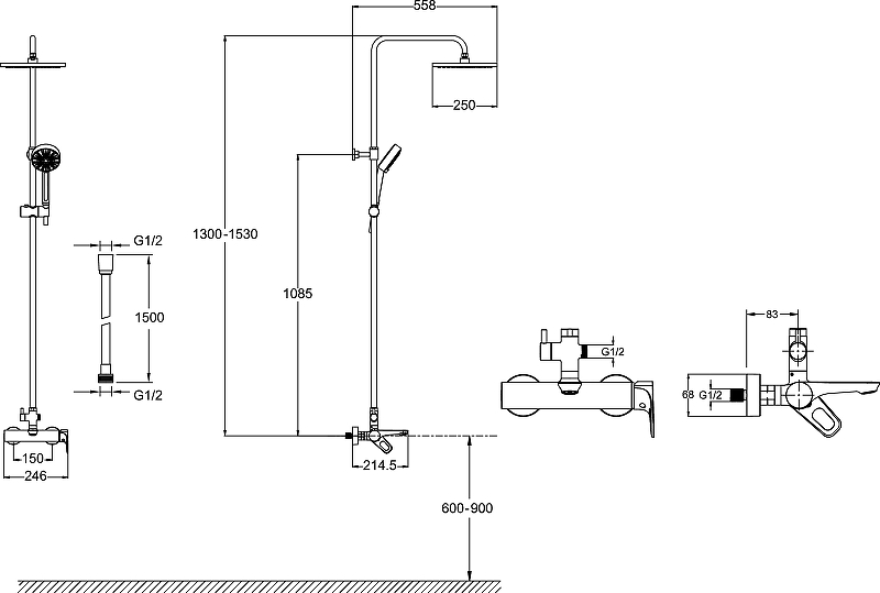
Характеристики:
Цвет: хром.
Материал: латунь, пластик.
Управление: однорычажное.
Механизм: керамический картридж.
Излив: фиксированный.
Диаметр верхнего душа: 250 мм.
Количество режимов струи ручного душа: 4.
Форма верхнего душа: круглая.
Форма ручного душа: круглая.
Стандарт подводки: G1/2.
Тропический верхний душ.
Исполнение шланга: пластиковый.
Длина шланга: 150 см.
Гладкий шланг с системой антискручивания.
Экономия воды: встроенный ограничитель напора воды.
Увеличенная высота штанги с возможностью регулировки.
Система против известковых отложений.
Монтаж: на стену.
В комплекте поставки:
Смеситель.
Верхний душ.
Ручной душ.
Душевая штанга.
Душевой шланг.

























